| |

一、 使用范围
LB01-80AP电能表用外置断路器(以下简称断路器),接收电能表控制信号或远程控制信号进行智能分闸或合闸;断路器额定绝缘电压500V,适用于交流50Hz,额定工作电压230V/400V,额定控制电压AC220V,额定电流80A以下的线路中;同时对线路起过载和短路保护作用,也可以在正常情况下作为线路的不频繁操作,产品广泛用于国家电网、南方电网智能化改造中。
产品符合以下标准:
IEC60898-1 《电器辅助设备--家用和类似设备用过电流保护回路开关--第1部分:交流电回路开关》
GB10963.1 《电气附件家用及类似场所用过电流保护断路器第1部分:用于交流的断路器》
GB14048.1 《低压开关设备和控制设备第1部分:总则》
GB14048.2 《低压开关设备和控制设备第2部分:断路器》
GB/T 19334 《低电压开关设备和控制设备的尺寸在成套开关设备和控制设备中作电器机械支承的标准安装轨》
GB/T 21706 《模数化终端组合电器》
二、产品特点
超小体积:2P或4P+N高分断小型断路器,控制部分采用单模数18MM宽的标准1P智能重合闸模块拼装而成;
超低功耗:控制线电流<1mA,相线泄露电流<0.2mA;
功能强大:接收远程控制信号(如电能表控制信号等)来实现远程重合闸功能;具有快速脱扣功能(欠费脱口保持有效防止人为合闸窃电);
动作迅速:断路器的远程自动合闸时间小于2s、分闸速度小于1s;
性能可靠:机械寿命高达10000次,相较国内外产品提高一倍以上;
高安全性:分断能力高Icu=10kA;
传动可靠:内轴同步传动方式实现自动合闸功能,有效保证2P及以上断路器可靠同步合闸;
兼容性好:外形及安装符合模数化终端组合电器标准,导轨式安装,互换方便;
节能环保:功耗低;全部采用环保材料,符合RoHS要求;
适应性强:适用-45℃~70℃,该产品符合国家电网、南方电网最新技术规范。
三、控制功能特点
断路器控制信号采用AC220V,控制单元供电从控制信号线取电,分合闸动作时从相线短暂用电;
断路器反馈信号采用AC220V,当断路器处于合闸状态时,反馈电平为AC220V,当断路器处于分闸状态时,反馈端无反馈信号;单相 断路器反馈信号从相线取电,三相断路器反馈信号从三相取电,任缺一相时仍能正常反馈;
断路器控制模式分远程全自动控制方式和远程半自动控制方式,即“自动”方式和“手动”方式,可通过断路器面板上的模式开关进行设置;
断路器控制电路的电源采用取电,无需用户外接电源,直接从断路器内部的相线和零线取电;
单相断路器进线端左侧接L,右侧接N;三相四线断路器进线端从左到右依次为1,3,5,N,即产品的右侧接零线;
产品的控制信号端和反馈信号端有防插反装置,控制信号线和反馈线为专用全密封线,具有防插反功能;
断路器正面设有红色控制信号指示灯,当控制信号为AC220V时,指示灯亮,当控制信号为0V时,指示灯灭,以识别当前电能表的控制状态;
远程全自动控制方式的断路器控制信号和动作状态满足下表要求,远程半自动控制方式的断路器满足下表序号1之外的所有要求。
四、技术参数

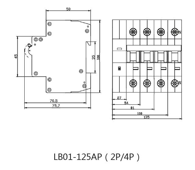
五、外形尺寸

|